Пресс насадочный горизонтальный ПК (ПА) 6736
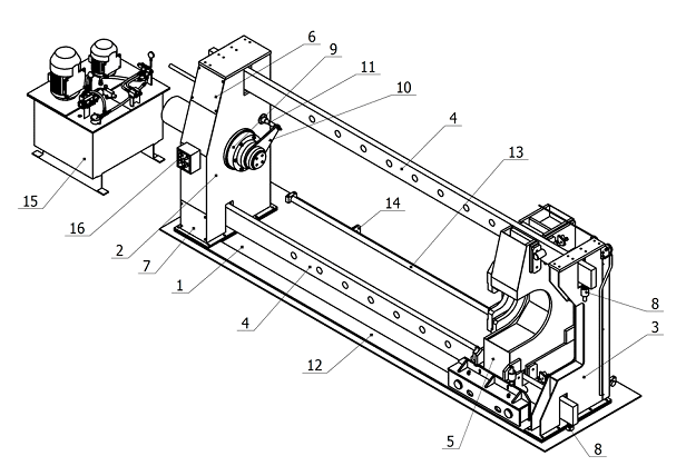
Общий вид гидравлического насадночного пресса ПК (ПА) 6736

- пресс
- гидроагрегат
- опоры подкранового пути
- подкрановый путь
- концевые балки опорные
- мостовой кра
- аль электрическая
Габаритные размеры пресса ПК (ПА) 6736

Конструкция гидравлического насадночного пресса ПК (ПА) 6736

Станина пресса ПК (ПА) 6736 представляет собой сборную конструкцию, смонтированную на фундаменте 1. Фундамент гидравлического пресса ПК (ПА) 6736 помещают ниже уровня основного пола и заливают бетоном.
На фундаменте расположены передняя стойка 2 и задняя стойка 3. Стойки соединены между собой тягами 4 прямоугольного сечения. Регулировка тяг при сборке осуществляется при помощи винтов и механизмов, расположенных под сервисными крышками 6 и 7 передней стойки, в корпусе задней стойки, а также упорными винтами 8.
Вдоль тяг по рельсам 12 и 13 перемещается упорная траверса 5. Фиксацию упорной траверсы в требуемом положении осуществляют в отверстия тяги с помощью фиксаторов (см. ниже).
В корпусе передней стойки пресса ПК (ПА) 6736 установлен силовой гидроцилиндр 9. На штоке гидроцилиндра размещены боек и противоповоротное устройство 10. Противоповоротное устройство связано с направляющей штангой 11, предотвращающей проворот штока.
Перемещение пресса ПК (ПА) 6736 при монтаже осуществляют с помощью монтажных проушин 14, расположенных на основании станины.
Вблизи пресса ПК (ПА) 6736 со стороны гидроцилиндра располагают гидроагрегат 15.
На передней стойке насадночного пресса ПК (ПА) 6736 расположен пульт управления 16. Силовой электрошкаф закреплен на задней стенке передней стойки (на рисунке не показан). К силовому электрошкафу осуществляют подвод электроэнергии. Управление траверсой осуществляют с выносного пульта.
Упорная траверса пресса гидравлического насодочного ПК (ПА) 6736

Упорная траверса гидравлического пресса ПК (ПА) 6736 приводится в движение с помощью электромеханического привода (электродвигателя 18 и редуктора 19), расположенного на приводном блоке 20. Качение траверсы по рельсовому пути осуществляется посредством приводного 20 и роликового 21 блоков. Схема привода траверсы представлена на рисунке 4.3, характеристики привода и перечень подшипников качения
Компоненты привода траверсы пресса ПК (ПА) 6736
18 | Электродвигатель АИР71В6
| W = 0,55 кВт; |
19 | Редуктор червячный IRW090-100-80B5 | i=100; |
I | Подшипник 80216
| 2 шт. |
II | Подшипник 80214
| 6 шт. |
Схема привода траверсы пресса ПК (ПА) 6736

Механизм фиксации траверсы насадночного гидравлического пресса ПК (ПА) 6736

4 – тяга
25 – накладки траверсы
26 – фиксатор
27 – ограничитель фиксатора
Фиксация траверсы пресса ПК (ПА) 6736 на тягах осуществляется замками Траверсу с помощь электромеханического привода перемещают до ближайшего отверстия тяги 4. В отверстие вставляют фиксатор 26 (срезанный палец, приложение А) и закручивают болт ограничителя 27 до упора в фиксатор.
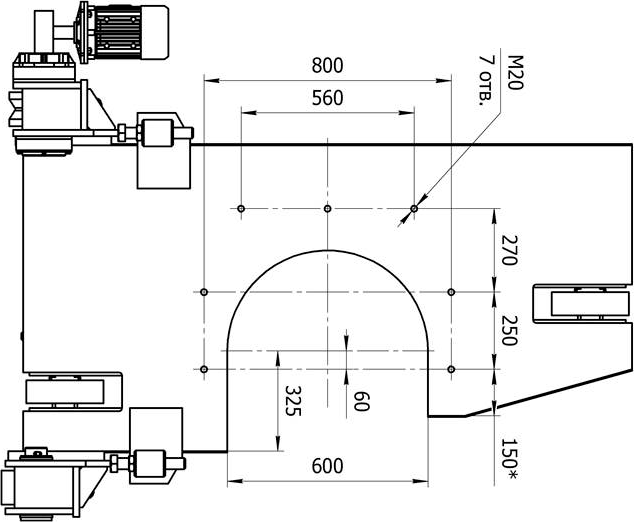
На боковой стенке траверсы расположен съемник 22, в который осуществляют упор детали при прессовании. Присоединительные размеры боковой стенки траверсы представлены.
Регулировку траверсы при установке осуществляют присоединительными винтами 23 колесных блоков, а также упорами 24.
Присоединительные размеры боковой стенки траверсы гидравлического насадночного пресса ПК (ПА) 6736

Загрузочное устройство гидравлического пресса ПК (ПА) 6736
Загрузочное устройство пресса ПК (ПА) 6736 представляет собой опорный мостовой кран грузоподъемностью 3 т. Кран перемещается по подкрановым рельсам, размещенным на опорах и станине пресса. По несущей балке мостового крана перемещается электрическая таль. Управление краном осуществляют с пола, с помощью подвесных пультов.
Эксплуатация мостового крана и электрической тали – в соответствии с эксплуатационной документацией крана и тали.
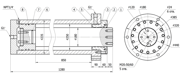
Силовой гидроцилиндр насадночного гидравлического пресса ПК (ПА) 6736

Силовой гидроцилиндр является основным рабочим органом пресса ПК (ПА) 6736 усилие, создаваемое гидроцилиндром, достигает 100 тс. Схема силового гидроцилиндра
Уплотнения силового гидроцилиндра пресса ПК (ПА) 6736
1 | Грязесъемник | 180×193×7/9,5 NBR |
2 | Уплотнение штока | 180×200×15 PU |
3 | Уплотнение штока | 180×195,1×6,3 NBR+PTFE |
4 | Направляющее кольцо | 180×185×25 PTFE |
5 | Кольцо |
|
| Кольцо | 2ר250ר240,8 PTFE |
6 | Кольцо |
|
| Кольцо | 2ר130ר120,8 PTFE |
7 | Направляющее кольцо | 250×245×25 PTFE |
8 | Уплотнение поршня | 250×229×8,1 BR+PTFE |
В конструкции гидроцилиндра пресса ПК (ПА) 6736 используются исключительно гидравлические уплотнители Hallite Seals
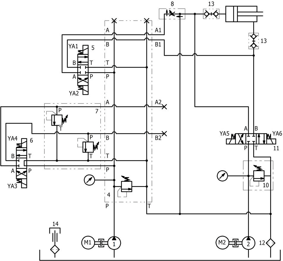
Гидроагрегат пресса ПК (ПА) 6736

М1 – электродвигатель привода рабочего хода;
М2 – электродвигатель привода ускоренного хода
4 – плита с предохранительным клапаном
5 – гидрораспределитель
6 – гидрораспределитель настройки давления
7 – предохранительный клапан настройки давления
8 – регулятор расхода
10 – плита с предохранительным клапаном
11 – гидрораспределитель
12 – сливной фильтр
13 – быстроразъеманые соединения
15 – манометры
Гидроагрегат пресса располагают вблизи пресса со стороны силового гидроцилиндра. Заливку масла осуществляют через заливную горловину, расположенную на крышке двигателей (на рисунке не показана). Слив масла осуществляют через сливные шаровые краны, расположенные в нижней части бака (на рисунке не показаны).
Характеристики гидроагрегата насадночного пресса ПК (ПА) 6736
Максимальное давление, МПа | 20 |
Количество насосов | 2 |
Суммарная мощность двигателей, кВт | 11,5 |
Объем бака, л | 500 |
Габаритные размеры (Д×Ш×В), мм | 1300×1000×1300 |
Масса без масла, не более, кг | 750 |
Схема гидравлическая принципиальная представлена насадночного пресса ПК (ПА) 6736

М1 | Электродвигатель | АИР100L4 | W=4 кВт |
М2 | Электродвигатель | АИР132S4 | W=7,5 кВт |
1 | Насос аксиально-поршневой | 310.12.05.00 | V=12 см3 |
2 | Насос шестеренный | НШ-32 | V=32 см3 |
4 | Плита с предохранительным клапаном | А03З2GC | Рmax = 20 МПа |
5 | Гидрораспределитель | RH06011-24V | Qmax = 80 л/мин |
6 | Гидрораспределитель | RH06021-24V | Qmax = 80 л/мин |
7 | Предохранительный клапан | МКПВ 6/3МАВТ 3 | Qmax = 70 л/мин |
8 | Регулятор расхода | VPR3 3/8" | Рmax = 21 МПа |
10 | Плита с предохранительным клапаном | ВS3C2-18Z | Qmax = 40 л/мин |
11 | Гидрораспределитель | RH06021-24V | Qmax = 80 л/мин |
12 | Сливной фильтр | SIF.15L30C | Q = 80 л/мин |
13 | Быстроразъемное соединение | - | - |
14 | Заливная горловина | СТ5206 | - |
| Манометр | DN63 V63RL | Рmax = 40 МПа |
При нажатии кнопки «Насос» включается электродвигатель М1 и насос поз. 1 рабочих ходов. Рабочая жидкость поступает в систему до распределителей поз. 5, 6 и сливается в бак. Предохранительный клапан плитки поз. 4 предохраняет систему от избыточного давления (настроен на максимально допустимое давление в системе). Двигатель М2 отключен.
При включении кнопки «Прямой ход» рабочая жидкость через распределитель поз. 5 поступает в поршневую полость гидроцилиндра. Одновременно включается соленоид распределителя поз. 6 (YA3), что позволяет производить прессование при усилии, предварительно настроенном на предохранительном клапане поз. 7. Соленоид YA4 в системе не задействован. Регулировка скорости движения штока цилиндра осуществляется вручную регулятором расхода поз. 8.
При включении ускоренного хода производится запуск двигателя М2 и насоса поз. 2. Электродвигатель М1 отключается. Рабочая жидкость поступает в поршневую полость гидроцилиндра через распределитель поз. 11. Предохранительный клапан поз. 10 предохраняет систему от избыточного давления.
При включении обратного хода производится запуск двигателя М2 и насоса
поз. 2. Электродвигатель М1 отключается. Рабочая жидкость поступает в штоковую полость гидроцилиндра через распределитель поз. 11. Предохранительный клапан поз. 10 предохраняет систему от избыточного давления.
Управление прессом ПК (ПА) 6736
Управление гидравлическим насадночным прессом ПК (ПА) 6736 осуществляют с помощью кнопочного пульта управления. Для подачи питания на пресс необходимо подключить вводный выключатель, расположенный на дверце силового электрошкафа (задняя стенка передней стойки).

Лампы индикации
Питание | Подключен вводный выключатель |
Авария | Нажата кнопка «Аварийный стоп» |
Кнопки управления
Насос | Включение насосов пресса |
Стоп | Отключение насосов пресса |
Прямой ход | Включение рабочего хода силового гидроцилиндра |
Ускоренный ход | Включение ускоренного хода силового гидроцилиндра |
Обратный ход | Включение возврата силового гидроцилиндра |
Аварийный стоп | Аварийный останов пресса |
При нажатии кнопки «Насос» включается электродвигатель М1 и насос поз. 1 рабочих ходов. Рабочая жидкость поступает в систему до распределителей поз. 5, 6 и сливается в бак. Предохранительный клапан плитки поз. 4 предохраняет систему от избыточного давления (настроен на максимально допустимое давление в системе). Двигатель М2 отключен.
При включении кнопки «Прямой ход» рабочая жидкость через распределитель поз. 5 поступает в поршневую полость гидроцилиндра. Одновременно включается соленоид распределителя поз. 6 (YA3), что позволяет производить прессование при усилии, предварительно настроенном на предохранительном клапане поз. 7. Соленоид YA4 в системе не задействован. Регулировка скорости движения штока цилиндра осуществляется вручную регулятором расхода поз. 8.
При включении ускоренного хода производится запуск двигателя М2 и насоса поз. 2. Электродвигатель М1 отключается. Рабочая жидкость поступает в поршневую полость гидроцилиндра через распределитель поз. 11. Предохранительный клапан поз. 10 предохраняет систему от избыточного давления.
При включении обратного хода производится запуск двигателя М2 и насоса
поз. 2. Электродвигатель М1 отключается. Рабочая жидкость поступает в штоковую полость гидроцилиндра через распределитель поз. 11. Предохранительный клапан поз. 10 предохраняет систему от избыточного давления.
Усилие, развиваемое силовым гидроцилиндром, рассчитывают по показаниям манометра. Пересчет показаний давления в усилие представлен в таблице 4.2. Площадь поршня силового гидроцилиндра составляет 0,0490625 м2. Расчет произведен без учета сил трения.
| Давление, МПа | Усилие, тс |
|---|---|
0,5 | 2,5 |
1 | 5 |
1,5 | 7,5 |
2 | 10 |
2,5 | 12,5 |
3 | 15 |
3,5 | 17,5 |
4 | 20 |
4,5 | 22,5 |
5 | 25 |
5,5 | 27,5 |
6 | 30 |
6,5 | 32,5 |
7 | 35 |
7,5 | 37,5 |
10 | 50 |
15 | 75 |
20 | 100 |
Съемники
В комплект поставки гидравлического пресса ПК (ПА) 6736 включены два съемника с проемами 250 мм и 420 мм.
Съемник с проемом 420 мм используется как самостоятельная единица. Съемник соединен с упорной траверсой винтами М20. При прессовании упор прессуемой детали осуществляют в накладки съемника. Прессование с упором в плиту съемника или непосредственно в боковую стенку траверсы не допускается.
Съемник с проемом 250 мм применяют совместно со съемником с проемом 420 мм. Плиту съемника с проемом 250 мм закрепляют на плите съемника с проемом 420 мм винтами М20. При прессовании упор прессуемой детали осуществляют в накладки съемника. Прессование с упором в плиту съемника или непосредственно в боковую стенку траверсы не допускается.
Распаковка и транспортирование пресса ПК (ПА) 6736
При погрузке и выгрузке пресса и его элементов необходимо обращать внимание на надежность их подвески на крюк. Значительный наклон пресса и его элементов, удары и рывки при подъеме и опускании не допускаются.
Штоки гидроцилиндров должны быть полностью задвинуты и зафиксированы.
При транспортировании бак гидроагрегата должен быть пустым.
При распаковке пресса необходимо следить за тем, чтобы не повредить пресс упаковочным инструментом.
Расконсервация пресса ПК (ПА) 6736
При расконсервации следует руководствоваться требованиями безопасности ГОСТ 9.014-78 «Временная противокоррозионная защита изделий. Общие технические требования».
Монтаж пресса ПК (ПА) 6736
Схема установки приведена в приложении Б настоящего руководства. Перед транспортировкой необходимо убедиться, что подвижные элементы пресса установлены в крайнее положение (штоки гидроцилиндров полностью задвинуты) и зафиксированы на станине с помощью троса или каната.
Грузоподъемные устройства, используемые при установке пресса, следует выбирать с учетом массы пресса и его составных частей. Пресс стропуют за специальные проушины, расположенные на станине. Гидроагрегат стропуют за специальные проушины, расположенные по краям бака.
Запрещается приближаться к движущимся компонентам пресса в процессе подъема/опускания. Избегайте зон защемления.
Работа с гидравлическим насадночным прессом ПК (ПА) 6736
Запрещается использовать пресс ПК (ПА) 6736 для любых целей, не предусмотренных в настоящем руководстве.
Запрещается вносить изменения в конструкцию гидравлического насадночного пресса ПК (ПА) 6736
Персонал, работающий с прессом, обязан знать содержание инструкции и всех изложенных в ней указаний и предупреждений. Рабочий, приступающий к работе на прессе, должен быть проинструктирован по технике безопасности, знать устройство пресса и приемы работы на нем.
Неквалифицированный персонал до работы с прессом не допускается.
Персонал, допущенный к работе на прессе, его наладке и ремонту, обязан:
- получить инструктаж по технике безопасности в соответствии с заводскими инструкциями;
- ознакомиться с общими правилами эксплуатации, ремонта пресса и указаниями по безопасности труда, изложенными в настоящем руководстве и прилагаемой эксплуатационной документации.
- Персонал, занятый обслуживанием электрооборудования пресса и ремонтом, обязан:
- иметь допуск к обслуживанию электроустановок напряженном до 1000 В;
- знать действующие правила технической эксплуатации и безопасности обслуживания электроустановок промышленных предприятий;
- руководствоваться правилами безопасности, изложенными в настоящем руководстве и прилагаемой эксплуатационной документации;
- знать принцип работы электрооборудования пресса и работу схемы автоматического управления.
Каждый раз перед началом работы с прессом необходимо проводить:
- осмотр механических элементов пресса (упорной траверсы, оснастки, загрузочного устройства) на наличие механических повреждений – трещин, прогибов, изломов и др.;
- осмотр внешнего вида гидрокомпонентов, очистку их наружной поверхности при необходимости;
- осмотр электрических кабелей на отсутствие повреждений, визуальный контроль наличия заземления;
- проверку состояния манометра, датчиков;
- проверку отсутствия наружной течи масла;
- проверку надежности гидравлических соединений;
- проверку уровня рабочей жидкости в маслобаке.
- Осмотр и обслуживание мостового крана и электрической тали производить согласно эксплуатационной документации.
- Осмотры пресса гидравлического насадночного пресса ПК6736 должны производиться при отключенном электропитании. Проверяйте оборудование, чтобы убедиться в том, что оно работает нормально и не причинит вреда обслуживающему персоналу.
- Запрещается использовать пресс при обнаружении погнутых, сломанных, треснувших, протекающих или поврежденных иным образом частей.
- Рабочее место должно содержаться в чистоте; на рабочем месте не должно быть посторонних предметов.
- Запрещается приступать к работе в состоянии усталости, под воздействием алкоголя, наркотиков или медицинских препаратов с опьяняющим эффектом.
- В случае, если на прессе работают несколько работников, не приступать к работе, не согласовав свои действия с другими работниками.
- Запрещается стоять в рабочей зоне пресса, когда пресс находится под усилием. Запрещается оставлять пресс под усилием без присмотра
Руководство по монтажу гидравлического насадночного пресса ПК (ПА) 6736
Не допускайте ударов, повреждения трубопроводов, гидрокомпонентов и других установленных элементов при строповке, транспортировке и перемещении элементов пресса ПК (ПА) 6736. При перемещениях и монтаже все подвижные элементы пресса должны быть надежно зафиксированы.
Пресс гидравлический насадночный ПК (ПА) 6736 устанавливают в подготовленный приямок (приложение Б). Допускается установка пресса в приямок меньшего размера при условии, что с трех сторон фундамента пресса останется зазор не менее 300 мм для заливки бетоном (зона А).
Пресс ПК (ПА) 6736 устанавливают в приямок с демонтированным загрузочным устройством;
с упорной траверсы должно быть снято навесное оборудование (съемники).
Строповка пресса ПК6736

Строповка пресса ПК6736 при перемещениях должна быть выполнена, как показано . Для строповки предназначены специальные проушины, расположенные на фундаменте пресса. Грузоподъемные устройства должны быть рассчитаны на вес пресса. Вес пресса – не более 7300 кг. Вес фундамента – не более 2200 кг.
Установка пресса ПК (ПА) 6736

После установки насодночного гидравлического пресса ПК (ПА) 6736 в приямок пресс выставляют по уровню с помощью клиньев. Ось пресса должна быть расположена строго горизонтально.
На станину пресса ПК (ПА) 6736 устанавливают консольные подкрановые пути, закрепляют болтом М20 с гайкой (16 шт.). Под консольные пути устанавливают подкрановые опоры, соединяют их с путями и выставляют перпендикулярно путям. На данном этапе опоры не закрепляют к полу.
На подкрановые пути устанавливают мостовой кран и совершают несколько пробных прокатов крана, чтобы убедиться в отсутствии перекосов подкрановых путей. При отсутствии перекосов подкрановые опоры закрепляют к полу анкерными болтами 20×200. Толщина пола помещения должна составлять не менее 200 мм. После закрепления опор проверить затяжку болтов, соединяющих подкрановые пути с прессом и с подкрановыми опорами
При монтаже мостового крана необходимо учитывать требования, предъявляемые в эксплуатационной документации крана.
Перед заливкой зоны А к фундаменту пресса приваривают армирующие прутки. Допускается установка пресса без армирующих прутков.
Гидроагрегат закрепляют к полу анкерными болтами 16×150 (4 шт.) Толщина бетонного пола должна составлять не менее 200 мм. При установке гидроагрегата не допускайте перекручивания и резких перегибов соединяющих рукавов.
Подключение пресса к электросети осуществляет квалифицированный специалист согласно схеме
Первоначальный пуск насодночного гидравлического пресса ПК (ПА) 6736
- Перед первоначальным пуском пресс ПК (ПА) 6736 должен быть выдержан в сухом помещении в течение 3-х суток (не менее) для удаления влаги из обмоток электродвигателя и проводов.
- Пресс гидравлический насадночный ПК (ПА) 6736 должен быть соединен с гидроагрегатом, а также подключен к электросети.
- Зона вокруг пресса должна быть освобождена от посторонних предметов.
- Из гидросистемы должен быть удален воздух.
- В гидравлический бак заливают чистое масло. Уровень масла должен быть не ниже середины маслоуказателя. Рекомендуемая марка масла – ИГП-38 ТУ 38.101413-97.
- Проверяют надёжность заземления и качество монтажа электрооборудования внешним осмотром.
- Гидроагрегат соединяют с гидроцилиндром пресса при помощи рукавов высокого давления и быстроразъемных соединений. Следует убедиться в надежности соединений; не допускать неплотного соединения или перетянутых резьбовых соединений.
- Пресс подключают к электросети, предварительно проверив соответствие напряжения сети и электрооборудования пресса.
- Производят несколько кратковременных включений электродвигателя гидростанции продолжительностью 2-3 с, во время которых проверяют правильность направления вращения насосов (по стрелкам, нанесенным на электродвигатели). Во время работы насоса не должен возникать посторонний шум.
- Включают подачу масла в трубопровод. После заполнения маслом трубопровода следует убедиться в отсутствии утечек в гидросистеме.
- В ручном режиме проверяют работу механизмов пресса.
- Проверяют работу блокировок пресса.
- Проверяют работу предохранительных клапанов.
- Убедившись в нормальной работе всех механизмов пресса, можно приступать к работе.
Техническое обслуживание пресса ПК (ПА) 6736
- Техническое обслуживание производится с целью поддержания пресса ПК (ПА) 6736 в технически исправном состоянии и готовности к работе.
- Все узлы и аппаратуру управления периодически осматривают, проверяя, нет ли утечек, сохранилась ли требуемая настройка механизмов.
- Элементы станины пресса, колесные блоки упорной траверсы, замки упорной траверсы периодически осматривают; при обнаружении дефектов принимают соответствующие меры.
- Осмотр и обслуживание загрузочного устройства – в соответствии с эксплуатационной документацией его элементов.
Обслуживание электрооборудования пресса ПК (ПА) 6736
- При обслуживании электрооборудования необходимо периодически проверять состояние пусковой и релейной аппаратуры. При осмотрах релейной аппаратуры особое внимание следует обращать на надёжное замыкание и размыкание контактных мостиков.
- Во время эксплуатации электродвигателя необходимо систематически производить его технический осмотр и профилактический ремонт. Периодичность техосмотра не реже одного раза в два месяца.
- Периодически, один раз в 2-3 месяца, проверять надежность заземления пресса, световую сигнализацию и работу блокировочных устройств.
Обслуживание гидрооборудования пресса ПК (ПА) 6736
- Трубопроводы осматривают ежедневно, так как они наиболее подвержены коррозии. При недостаточном контроле может произойти разрыв трубы. Особое внимание следует уделить местам соединений труб.
- Рекомендуется периодически заменять уплотнения гидроцилиндров, распределителей и других элементов (не реже, чем каждые 8 лет).
- Остальные уплотнения необходимо заменять в случае появления утечек, не связанных с ослаблением резьбового соединения, а также по результатам периодических осмотров, измерения класса чистоты масла и степени износа узлов и элементов гидравлического оборудования.
Ежесменное техническое обслуживание предусматривает следующие проверки:
- проверка уровня и состояния рабочей жидкости в баке;
- проверка герметичности трубопроводов;
- проверка надежности затяжки и контровки резьбовых соединений.
Визуальные признаки изменения параметров масла являются сигналом для начала регламентных работ (замена масла, очистка, деаэрация, устранение воды):
- черно-бурый цвет свидетельствует о старении или перегреве;
- пена и молочный цвет - признак повышенного содержания воздуха;
- мутное масло означает, что оно содержит воду.
В случае перегрева масла его следует безотлагательно заменить. Слив масла производят через специальный кран, расположенный в нижней части бака. Заливка масла допускается только через заливную горловину. При каждой замене масла необходимо проводить очистку бака. Во время очистки бака необходимо проводить инспекцию его внутренних поверхностей. В случае обнаружения повреждения внутреннего защитного слоя, его нужно восстановить.
Во время проведения техобслуживания система должна быть защищена от проникновения пыли.
При техническом обслуживании насосов необходимо выполнять требования безопасности ГОСТ Р 52543-2006. При неисправности насосов необходимо производить ремонт только у производителей или специализированной организации.
![]() | Не рекомендуется, доливать к изношенному маслу свежее, так как невозможно обеспечить достаточную смазывающую способность и защиту от коррозии. |
![]() | Не допускается смешивать несколько видов масла (дополнять уровень в баке маслом другого типа). |
![]() | Всегда закрывайте крышку заливной горловины для предотвращения попадания в гидросистему внешних загрязнений. |
| Номинальное усилие пресса, кН | 4000 |
| Габариты пресса (ДхШхВ), мм | 7400x4275x3405 |
| Мощность привода, кВт | 18,5 |
| Масса, нетто кг | 18450 |
| Ход плунжера, мм | 1000 |
| Наибольший диаметр напрессовываемых изделий, мм | 1500 |
| Расстояние между плунжером и опорной траверсой, мм | 400 ... 3400 |
| Скорость плунжера, мм/с |   |
| - рабочая, | 1 ... 3 |




